日本有很多小型的作坊式企业,员工不过百,有的只有十几名甚至几名员工。就是这样“名不见经传”的小企业,却是很多行业里的“隐形冠军”,拥有着世界上领先的技术。
是它们,在默默无闻中撑起了日本制造的发展。
今天,让小编带大家了解其中的几家日本小企业:木村制作所、哈德洛克(Hard Lock)工业株式会社以及北岛绞制作所。
木村制作所
木村制作所成立于1969年,一直从事机床、工业机械和光学设备相关零件的研发生产。
尽管企业只有40名员工,但是木村制作所的研究领域涉及主轴加工技术、精密加工技术和超精密加工技术等多个方面。

超精密加工技术
(图片来源:木村制作所官网)
除此之外,木村制作所还是三菱重工、川崎重工、松下公司、住友理工等大型企业合作的供应商,专门从事车削、铣削、加工中心、数控切削加工到内外圆磨削、平面磨削、精加工的一条龙零部件加工及组装。

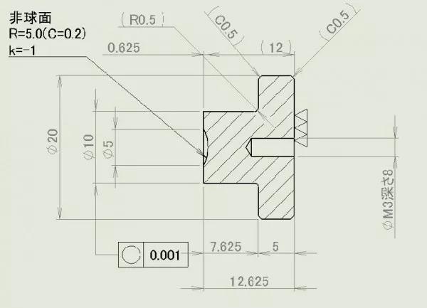
超精密非球面加工
哈德洛克(Hard Lock)工业株式会社
你也许没有听说过哈德洛克(Hard Lock)工业株式会社,但你一定听说过“永不松动的螺母”。没错,日本的高速铁路“新干线”上使用的永不松动的螺母就是来自于这家公司。

哈德洛克工业是一家只有45名员工的日本小厂,社长若林克彦早在1961年就发明了不会回转的U螺母。
哈德洛克工业曾在自己的官网上详细介绍了螺母的原理结构。虽然吸引了很多模仿者,但成功者几乎没有。

楔子与锤子二合一的螺母
究其原因,哈德洛克工业表示,公司常年积累的独特的技术和诀窍(knowhow),对不同的尺寸和材质有不同的对应偏芯量,这正是Hard Lock螺母无法被模仿的关键所在。
北岛绞制作所
北岛绞制作所的主营业务是各种金属板塑性加工的旋压、冲压、特殊形状成型,公司员工只有20名。
在“旋压”这种金属成型工艺上,北岛绞制作所堪称日本一流。他们擅长于诸如美国的飞机、人造地球卫星的零件、日本H2火箭的顶端部件等没有尖端技术就无法制造的特殊的金属成型,而且制造这些靠的不是机械设备,而是工匠们的手艺。
北岛绞制作所对工匠的手艺要求非常严格。在北岛绞制作所如果要成为一名合格的工匠,必须从金属的声音上判断出成型的状态,这需要大约十年时间。
北岛绞制作所专务董事北岛贵弘还表示,如果成为熟练工匠后,那么哪怕0.05毫米之差,也可以感觉出来。
日本小企业有哪些值得我们学习的成功经验呢?日本经营学专家坂本光司在走访了中国和日本7500多家中小企业后,以17个小型企业在逆境中求得生存发展的故事为例,总结了逆境不败的七个关键:
一、适应变化:企业要想充满活力地发展下去,不管是否愿意都必须主动进行改变。改变,是成长的证明。
二、广泛收集信息:眼光要从眺望世界的角度进行观察,既要回顾过去,又要展望未来。观察的时候要坚持客观的态度,不能带入主观判断,这非常重要。从这个意义上,企业需要培养一批善于收集信息的人才,还要构建一个发挥这些人才作用的信息网。
三、心怀蓝图:经营学是从终点开始的,没有蓝图的经营不是真正的经营。心怀蓝图,重要的不是只谋求营业额或利润,而是明确自己公司的经营目的和为社会为他人做出贡献的经营理念。企业的经营目的比赢利目标更重要。
四、危机就是机遇:把没有预料到的变化和不利于公司的变化,当成机遇,为所有员工描绘新的梦想蓝图。
五、发挥领导能力:企业经营者要从“客观的、历史的、世界的、本质的、现场和现实的”角度分析问题并做出判断。面对转折点作出决断,正式经营者的使命和责任。
六、循序渐进、稳健改变:短时间内改变历史形成的风气和企业文化,会招致不满,公司组织也会陷入混乱。循序改变中,经营者需要一个团队,且保持高度的敏感性。
七、应该改变的和不能改变的:经营战略应该随着变化而改变,经营理念不能说改就改。